- 艾宝物联IOBOV® ─ 工业无线测控专家
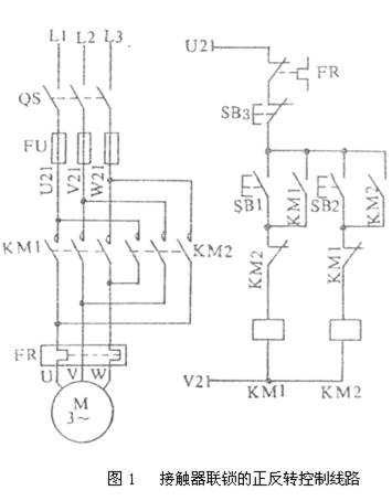
1.原理图

2.原理分析
正转控制:按下正转按钮SB1→接触器KM1线圈得电→KM1主触头闭合→电动机正转,同时KM1的自锁触头闭合,KM1的互锁触头断开。
反转控制:先按下停止按钮SB3→接触器KM1线圈失电→KM1的互锁触头闭合。然后按下反转按钮SB2→接触器KM2线圈得电→从而KM2主触头闭合,电动机开始反转,同时KM2的自锁触头闭合,KM2的互锁触头断开。
3.线路特点
对于这种线路,要改变电动机的转向时,必须先按下停止按钮,再按下反转按钮,才能使电动机反转。