• 艾宝物联IOBOV® ─ 工业无线测控专家
  • 13609158196
  • |
  • 18629653889
  • 网站首页
  • 产品中心
    • 开关量信号无线传输
    • 模拟量信号无线传输
    • 混合量信号无线传输
    • RS485信号无线通讯
    • PLC专用无线通讯模块
    • PLC专用无线以太网系列
    • 无线集群通信系统
    • 无线自动水位控制器
    • 远距离无线传输
    • 频率脉冲量信号无线传输
  • 成功案例
    • 解决方案
    • 现场案例
  • 技术支持
    • 产品手册
    • 软件下载
    • 常见问题
  • PLC知识
    • 无线通信模块基础知识
    • 松下PLC
    • PLC编程入门
    • PLC基础知识
    • 三菱PLC
    • 西门子PLC
    • 欧姆龙PLC
  • 关于我们
    • 企业风采
    • 企业文化
    • 合作伙伴
  • 联系我们
    • 人才招聘
  • 知识问答
  • 查找
搜索
建立与SIMATIC 
	S7-200 CPU的在线联系及设置修改P
建立与SIMATIC S7-200 CPU的在线联系及设置修改P

	西门子PLC的两种网络连接器介绍
西门子PLC的两种网络连接器介绍

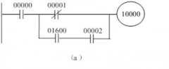
	对PLC梯形图进行简化并写出梯形图程序的指令
对PLC梯形图进行简化并写出梯形图程序的指令

	西门子的工业控制软件的三种类型介绍
西门子的工业控制软件的三种类型介绍
<b>
					西门子PLC乘法指令的要素及使用说明</b>
西门子PLC乘法指令的要素及使用说明

	PLC减法指令要素——助记符、指令代码、操作
PLC减法指令要素——助记符、指令代码、操作

	PLC加法指令使用说明及指令要素
PLC加法指令使用说明及指令要素

					S7-200系统PLC的工作温度有什么区别
S7-200系统PLC的工作温度有什么区别

	如何进行西门子S7-200系列PLC的电源需求与计算
如何进行西门子S7-200系列PLC的电源需求与计算

					西门子S7-200系列PLC模拟量输入(A1)功能和使用
西门子S7-200系列PLC模拟量输入(A1)功能和使用
西门子S200 
	PLC局部变量存储区(L)的功能和格
西门子S200 PLC局部变量存储区(L)的功能和格

	西门子S7-200 PLC计数器区(C)使用简介
西门子S7-200 PLC计数器区(C)使用简介
首页 上一页 66 67 68 69 70 71 72 73 74 75 76 下一页 末页

PLC知识

  • 无线通信模块基础知识
  • 松下PLC
  • PLC编程入门
  • PLC基础知识
  • 三菱PLC
  • 西门子PLC
  • 欧姆龙PLC

关于我们

一家专注于工业无线控制及数传通信的高新技术企业,推出了一系列无线通信、数据信号传输、无线控制等相关领域的工业物联网产品。

为客户定制无线控制系统,包括各类PLC、触摸屏、组态软件等相关的无线系统。

产品中心

开关量信号无线传输

模拟量信号无线传输

混合量信号无线传输

RS485信号无线通讯

PLC专用无线通讯模块

友情链接

  • 换气式老化试验箱
  • 北斗GPS定位器
  • 超声经颅多普勒
  • 光纤测温
  • 高频淬火设备
  • 打包带生产线
  • 不锈钢水管
  • 高低温试验箱价格
  • 无尘车间装修
  • 电磁吸盘

联系方式

  • 地址:西安市高新区唐延路25号银河新坐标A座

  • 13609158196
  • 18629653889
陕公网安备:61019002000623号 备案号:陕ICP备18009966号 Copyright © 2002-2025 西安艾宝物联网科技有限公司